Yamato-Saidaiji Station
Yamato-Saidaiji Station 大和西大寺駅 | |||||
|---|---|---|---|---|---|
| Kintetsu Railway commuter rail station | |||||
![]() | |||||
| General information | |||||
| Location | 1-1, Saidaiji Kunimichō Itchōme, Nara-shi, Nara-ken 631-0823 Japan | ||||
| Coordinates | 34°41′38″N 135°46′58″E / 34.69389°N 135.78278°E | ||||
| Owned by | |||||
| Operated by | |||||
| Line(s) | |||||
| Platforms | 3 island platforms | ||||
| Tracks | 6 | ||||
| Train operators | |||||
| Connections |
| ||||
| Construction | |||||
| Bicycle facilities | |||||
| Accessible | Yes | ||||
| Other information | |||||
| Station code | A26 , B26 , B26 | ||||
| Website | www | ||||
| History | |||||
| Opened | 30 April 1914 | ||||
| Previous names | Saidaiji; Daiki Saidaiji (until 1941) | ||||
| Passengers | |||||
| FY2022 | 42,850 daily | ||||
| |||||
Yamato-Saidaiji Station (大和西大寺駅, Yamato Saidaiji-eki) is a junction passenger railway station located in the city of Nara, Nara Prefecture, Japan. It is operated by the private transportation company, Kintetsu Railway.[1] The station is also referred to as Kintetsu Saidaiji Station (近鉄西大寺駅) or Saidaiji Station (西大寺駅).
Lines
Yamato-Saidaiji Station is a junction of lines coming from four directions: the Nara line from Osaka in the west and Nara in the east, the Kyoto line from Kyoto in the north, and the Kashihara Line from Kashihara in the south.[2] It is 22.3 kilometers from the starting point of the Nara Line at Fuse and 28.4 kilometers from Osaka Namba and is 24.6 kilometers from the starting point of the Kyoto Line. It is also the northern terminus of the 28.3 kilometer Kashihara Line to Kashiharajingū-mae.
Layout
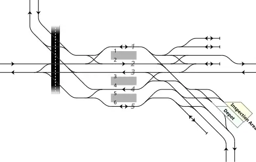
The station consists of three island platforms and five tracks. Each platform is connected to the elevated station building by an underground passageway, and the platforms are numbered to Platform 6 as Platforms 4 and 5 share the same track. Each platform has a usable length of 10 cars. The station is staffed.[3]
Platforms
| 1, 2 | ■ Nara Line | A for Nara |
| ■ Kashihara Line | B for Yamato-Yagi and Kashiharajingu-mae / H for Tenri M for Ise-Shima E Change trains at Yamato-Yagi for Nagoya F Change trains at Kashiharajingu-mae for Yoshino | |
| 3, 4, 5 | ■ Nara Line | A for Gakuen-mae, Fuse, Ōsaka Namba, Amagasaki, Koshien and Kobe Sannomiya |
| ■ Kyōto Line | B for Takanohara, Tambabashi, Kyōto and Kokusaikaikan | |
| 6 | ■ Kashihara Line | B starting for Yamato-Yagi and Kashiharajingu-mae H starting for Tenri (mainly local trains) |
| ■ Nara Line | A local trains and semi-express trains for Ōsaka Namba (only a few trains) |
| Kyoto Line to Kyoto | ||
| Nara Line to Ōsaka Namba |
![]() |
Nara Line to Kintetsu Nara |
| Kashihara Line to Kashiharajingū-mae |
Adjacent stations
| « | Service | » | ||
|---|---|---|---|---|
| Kintetsu Railway | ||||
| Nara Line (A26) | ||||
| Ayameike (A21) | Local | Shin-Ōmiya (A27) | ||
| Ayameike (A21) | Suburban Semi-Express | Shin-Ōmiya (A27) | ||
| Ayameike (A21) | Semi-Express | Shin-Ōmiya (A27) | ||
| Gakuen-mae (A20) | Express | Shin-Ōmiya (A27) | ||
| Gakuen-mae (A20) | Rapid Express | Shin-Ōmiya (A27) | ||
| Gakuen-mae (A20) | Limited Express (Ōsaka - Nara) | Kintetsu Nara (A28) | ||
| Kyoto Line (B26) | ||||
| Heijo (B25) | Local | Amagatsuji (B27: Kashihara Line) | ||
| Takanohara (B24) | Express | Shin-Omiya (A27: Nara Line) Nishinokyo(B28: Kashihara Line) /Kintetsu Koriyama | ||
| Kintetsu Tambabashi (B07) Takanohara (B24) (northbound: first train - 9:40 a.m.) (southbound: departing from Kyōto after 3 p.m.) |
Limited Express (Kyōto - Nara, Kashihara) | Kintetsu Nara (A28: Nara Line) Kashihara Line | ||
| Kintetsu Tambabashi (B07) Takanohara (B24) (northbound: 1 in the morning) (southbound: 2 after 3 p.m.) |
Limited Express (Kyōto - Ise) | Yamato-Yagi (B39: Kashihara Line) | ||
| Kintetsu Tambabashi (B07) | Limited Express "Shimakaze" | Yamato-Yagi (B39: Kashihara Line) | ||
| Kashihara Line (B26) | ||||
| Heijo (B25: Kyoto Line) | Local | Amagatsuji (B27) | ||
| Takanohara (B24: Kyoto Line) | Express | Nishinokyō (B28) (non-rush hour) Kintetsu Kōriyama (B30) | ||
| Kyoto Line | Limited Express (Kyōto - Kashihara) | Nishinokyō (B28) (non-rush hour) Yamato-Yagi (B39) | ||
| Kyoto Line | Limited Express (Kyōto - Ise) | Yamato-Yagi (B39) | ||
| Kintetsu Tambabashi (B07: Kyoto Line) | Limited Express "Shimakaze" | Yamato-Yagi (B39) | ||
History
Yamato-Saidaiji Station was opened 30 April 1914 as Saidaiji Station (西大寺駅) by the Osaka Electric Tramway. With the opening of the Unebi Line, it was moved about 150 meters west from its original location. The station was connected to the Nara Electric Railway in November 1928, and renamed Daiki-Saidaiji Station (大軌西大寺駅) in December 1932. The Osaka Electric Tramway merged with Sangu Express Railway on March 15, 1941, and the station was renamed Yamato Saidaiji Station (大和西大寺駅). The station was moved back to its original location in March 1965.
Incidents
On 8 July 2022, the area near the north entrance of the station became a crime scene when former Japanese Prime Minister Shinzo Abe was assassinated while campaigning around the vicinity.[5]
Passenger statistics
In fiscal 2022, the station was used by an average of 42,850 passengers daily (boarding passengers only).[6]
Surrounding area
North
- NaRaFamily
- Kintetsu Department Store Nara
- ÆON Nara
- Sanwa City Saidaiji
- Akishino-dera
- Place Heijō Palace used to be
South
- Kintetsu Saidaiji Building
- Kintetsu Saidaiji Shopping Center
- SupermarketKINSHO Saidaiji
- Kintetsu Saidaiji Shopping Center
- Kintetsu Daini Saidaiji Building
- Saidaiji Daini Shopping Center
- Saidai-ji
- Saidaiji Police Box
- Kintetsu Saidaiji Inspection Depot
Bus stops
Buses are operated by Nara Kotsu Bus Lines Co., Ltd.
- Bus stop 1
- Route 11 for Ichijo Senior High School
- Route 12 for JR Nara Station via Hokkeji, Ichijo Senior High School and Kintetsu Nara Station
- Route 14 for JR Nara Station via JASDF Nara Base, Hokkeji, Ichijo Senior High School and Kintetsu Nara Station
- Route 73 for Utahimecho
- Bus stop 2
- Route 72 for Oshikuma
See also
References
- ^ Terada, Hirokazu (July 2002). データブック日本の私鉄 [Databook: Japan's Private Railways]. Japan: Neko Publishing. ISBN 4-87366-874-3.
- ^ "Yamato-Saidaiji Station | JapanVisitor Japan Travel Guide". Archived from the original on 17 December 2019. Retrieved 17 March 2020.
- ^ "西大寺駅" [Yamato-Saidaiji Station]. hacchi-no-he.net. Retrieved 16 March 2018.
- ^ Kawashima, Ryōzō (1993). Zenkoku Tetsudō Jijō Dai-kenkyū: Ōsaka Toshin-bu, Nara Hen (in Japanese). Sōshisha. p. 134. ISBN 978-4-7942-0498-1.
- ^ "Man taken into custody after former Japanese PM Abe Shinzo collapses | NHK WORLD-JAPAN News". 8 July 2022. Archived from the original on 8 July 2022. Retrieved 8 July 2022.
- ^ Nara Prefecture Statistical Yearbook
External links
Media related to Yamato-Saidaiji Station at Wikimedia Commons

